











Настенный газовый котел Kiturami World Alpha-30 — это надежное решение для организации отопительной системы в бытовых помещениях. Он управляется дистанционно с помощью пульта, что обеспечивает комфорт и удобство в использовании.
Модель оснащена двумя теплообменниками из нержавеющей стали, что гарантирует эффективный нагрев воды для двух контуров. Вот некоторые из ключевых особенностей и преимуществ, которые делают этот котел особенным:
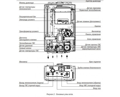
- Датчик утечки газа — обеспечивает безопасность в использовании
- Вентилятор с модуляцией скорости вращения — создает оптимальный микроклимат
- Сейсмодатчик — защищает от возможных колебаний и шумов
- Функция самодиагностики — помогает выявить и устранить неполадки
- Пластинчатый теплообменник ГВС из нержавеющей стали — обеспечивает высокое качество горячей воды
- Пульт управления в комплекте — упрощает управление котлом
- Двухъярусный первичный теплообменник — обеспечивает быстрый нагрев воды
- Циркуляционный насос с мокрым ротором — обеспечивает циркуляцию теплоносителя
- Автоматическое выключение котла — гарантирует безопасность и комфорт
- Возможность установки коаксиальной или раздельной системы дымоудаления — позволяет выбрать оптимальный вариант для вашего дома
Серия World Alpha предназначена для эффективного отопления и горячего водоснабжения в различных типах зданий и помещений. Модельный ряд включает в себя двухконтурные котлы мощностью от 10 кВт до 35 кВт, которые оснащены пластинчатым теплообменником для горячего водоснабжения, датчиком утечки газа и вентилятором с модуляцией.
Газовые котлы пользуются особой популярностью среди других отопительных систем, так как газ является самым доступным и эффективным видом топлива на сегодняшний день.
Купить Настенный газовый котел Kiturami World Alpha-30 по выгодной цене вы можете в нашем магазине "ПодогревПола.Рф" в г. Сочи.
Также можно оплатить товар на нашем сайте и заказать доставку в любой город России.
Общие характеристики
Характеристика
Режим работы
Электрические параметры
Габариты
Установка (монтаж)
Дополнительная информация
Характеристика Котла отопления
Нет отзывов о данном товаре.
Пока нет вопросов об этом товаре. Станьте первым!